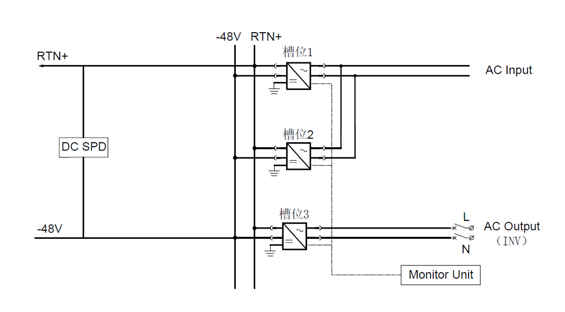
ETP23003-C1M3 PSM

Specifications

Dimensions(W*D*H)

482.6 mm x 330 mm x 1U

Weight

≤ 5.0 kg (non-PSU)

Heat dissipation

Force air cooling

Input Voltage

85~300 Vac

Input frequency

45~65 Hz,Frequency:50/60 Hz

Input current

48A max